20kg顶载高精度云台-采用闭环伺服电机谐波传动-重复精度±0.005°,集成磁编码器-支持Pelco_D

 
设备净重 ≈12kg
最大承载 20kg
供货周期 10~20工作日
规格型号 JSA-EFPTZDUSO4S20K
产品详情




规格参数


规格型号

JSA-EFPTZDUSO4S20K     

承载方式

顶载

最大承载
≤20kg

传动方式

高精度闭环伺服电机谐波传动-[集成磁编码器]

水平范围

0°~360°连续旋转

垂直范围

-90°~90°

水平速度
≤50°/S

垂直速度

≤30°/S

重复精度

相对云台自身水平和垂直0°位:水平±0.005°;垂直±0.01°

预 置 位

≤200

巡航扫描

支持

通信接口

RS422

通讯协议

Pelco_D

波 特 率

9600

地 址 码

1

底部进线

DC24V/*1、RS422*1、GND*1、直通线:10M/100M*1

顶部出线

DC24V/2A*1、RS485*1、GND*1、直通线:10M/100M*1

数据回传

支持角度方位数据实时或查询回传

供电规格

DC24V ±10% ;待机≤30W

工作温度

-40℃~+70℃

工作湿度

<90%RH

防雷规格

支持设备级防雷,电源4000V,通讯视频信号2000V

防护等级

IP67

整机重量

≈12kg

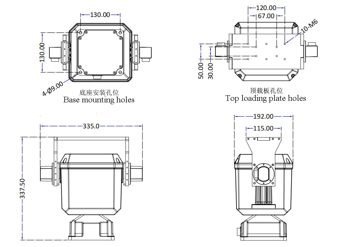
整机尺寸

338*192*335

定制版本

支持在标款的基础上进行个性按需定制,定制联系:aiptz@jsa-cctv.com、微信:A380487881



   产品尺寸

DUSO4S-B02.jpg


AIPTZ.COM


因为专注   所以专业

成立于2005年,多年行业沉淀

86-755-89968730
aiptz@jsa-cctv.com
首页       产品中心       云台定制       云台方案         云台询价        技术支持     云台FAQ       网站地图
深圳市杰士安电子科技有限公司-云台事业部          [ www.cnptz.com ]-版权所有[2005~2026]   粤ICP备2025508557号-3