█ 产品概述
JSA-PTZSO97系列中距离双光谱重型云台,采用闭环伺服电机谐波传动结构设计;内置5T算力硬件处理器,可选购集成森林防火、深度周界人型、机动车、非机动车、船只检测、目标跟踪等多种智能算法;适用于森林、草原防火,边海防,高空瞭望等远距离监控场景。
█ 产品特点
= 铝合金结构设计,防水等级IP67
= 支持H.265/H.264编码,压缩比高,图像质量好
= 支持-40℃下冷启动,可用于严寒地区,防冻防尘
= 内置集成640*512非制冷氧化钒红外焦平面探测器
= 一体机热成像机芯、可选35~100mm不同焦距规格
= 水平方向360°连续旋转,垂直方向-90°~90°,255个预置位
= 支持长焦限速、断电记忆、预置位调用、轨迹巡航和线扫功能
= 支持ONVIF、可选购GB28181、GA/T1400协议或SDK便于集成
= 内置集成星光级1080P~4K高清机芯,37~92X/240~561mm不同规格可选
= 可选购烟火、人形、机动车、非机动车、船舶、区域入侵/离开/停留/徘徊/越界检测和目标跟踪等AI算法
█ 规格参数
型号/系列 | JSA-PTZSO97系列 |
摄 像 机 | 传 感 器 | 1.8" Progressive CMOS |
有效像素 | 3840x2160、2592×1520、1920×1080可选 |
信 噪 比 | 55dB |
背光补偿 | 自动/手动 |
日夜转换 | 自动/手动 |
镜头焦距 | 6.5~240mm、6.1~317mm、6.1~440mm、10~550mm、6.1~561mm可选 |
镜头倍数 | 37、52、55、72、92倍光学,16倍数字可选 |
最低照度 | 彩色:0.1Lux;黑白:0.001Lux |
超宽动态 | 120dB |
自动控制 | 自动白平衡、自动聚焦、自动曝光、自动降噪、自动对比度增强 |
热 成 像 | 传 感 器 | |
| 分 辨 率 | |
| 像元尺寸 | 12μm |
| 响应波段 | 8~14μm |
| 灵 敏 度 | ≤50mk@25℃,F1.0 |
| 镜头焦距 | 35mm、50mm、75mm、15~75mm、100mm可选 |
编 码 压 缩 | 压缩标准 | H.265/H.265 High Profile |
码流参数 | 32K~32Mbps |
音频压缩 | G.711 |
音频码率 | 64Kbps |
网 络 参 数 | 网络协议 | Onvif,IPv4,HTTP,FTP,RTSP,DNS,NTP,RTP,TCP,UDP,IGMP可选GB/T28181和GA/T1400 |
网络接口 | 10M/100M自适应以太网口 |
报警接口 | 选配/按需定制 |
管理模式 | B/S |
组网信息 | 有线;可选无线[WIFI/扩频微波/4G~5G/卫星等],支持与SDI/CVI/IP或模拟多种混合模式组网 |
云 台 | 驱动方式 | 高精度闭环伺服电机谐波传动结构 |
| 旋转角度 | 水平0~360°连续旋转;俯仰-90°~90°; |
旋转速度 | 水平 ≤250°/s ;俯仰 ≤180°/s; |
预 置 位 | 255 |
预置精度 | 0.01° |
自动巡航 | 支持 |
自动扫描 | 支持 |
| 无级变速 | 支持跟踪无级变速 |
长焦限速 | 支持 |
| 反馈控制 | 支持闭环反馈控制 |
温控雨刷 | 集成温度控制系统-支持自动加热;雨刷支持自动感应或手动两种工作模式 |
断电记忆 | 支持 |
扩 展 选 购 件 | 烟火检测 | 可见光算法和热成像高温检测二者联合判断烟火检测,误报率1次/10天万公顷、漏报率<1‰ |
| 界限检测 | 区域入侵、离开、越界、徘徊、停留,检测类型:人、机动车、非机动车、船舶; |
| 目标跟踪 | 支持人形、机动车、非机动车、船舶、低空飞行物目标检测和跟踪 |
| 检测像素 | 目标检测最小像素:20*20(宽×高) |
| 联动抓怕 | 支持对应检测事件联动抓怕 |
| 激光测距 | 4km激光测距模块可选 |
| 防抖模块 | |
其 它 | 防护等级 | IP67 |
防雷等级 | GB/T 17626.5 -46kv |
温度湿度 | -40℃~70℃ / 0~90%(无冷凝) |
| 供电功率 | DC24V/5A±10% |
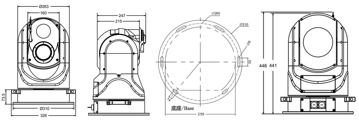
| 设备尺寸 | 247*326*446mm |
设备重量 | ≈17kg |
█ 订货型号
版本类型 | 型号 | 主要参数 |
可见光 热成像 | JSA-PTZS97TH37X2635 | 相机:2MP,6.5~240mm / 37x ;热像仪:640x512 / 35mm |
| JSA-PTZS97TH37X4635 | 相机:4MP,6.5~240mm / 37x ;热像仪:640x512 / 35mm |
| JSA-PTZS97TH52X4650 | 相机:4MP,6.1~317mm / 52x ;热像仪:640X512 / 50mm |
| JSA-PTZS97TH72X2675 | 相机:2MP,6.1~440mm / 72x ;热像仪:640X512 / 75mm |
| JSA-PTZS97TH72X262575 | 相机:2MP,6.1~440mm / 72x ;热像仪:640X512 / 25~75mm |
| JSA-PTZS97TH92X26100 | 相机:2MP,6.1~561mm / 92x ;热像仪:640X512 / 100mm |
| JSA-PTZS97TH92X46100 | 相机:4MP,6.1~561mm / 92x ;热像仪:640X512 / 100mm |
| JSA-PTZS97TH55X86100 | 相机:8MP,10-550mm / 55X ;热像仪:640X512 / 100mm |
可见光 热成像 激光补光 | JSA-PTZS97THL37X2635 | 相机:2MP,6.5~240mm / 37x ;热像仪:640x512 / 35mm;激光补光:800m |
| JSA-PTZS97THL37X4635 | 相机:4MP,6.5~240mm / 37x ;热像仪:640x512 / 35mm;激光补光:800m |
| JSA-PTZS97THL52X4650 | 相机:4MP,6.1~317mm / 52x ;热像仪:640X512 / 50mm;激光补光:1500m |
可见光 热成像 激光测距
| JSA-PTZS97THR72X2675 | 相机:2MP,6.1~440mm / 72x ;热像仪:640X512 / 75mm;激光测距:4km |
| JSA-PTZS97THR72X262575 | 相机:2MP,6.1~440mm / 72x ;热像仪:640X512 / 25~75mm;激光测距:4km |
| JSA-PTZS97THR92X26100 | 相机:2MP,6.1~561mm / 92x ;热像仪:640X512 / 100mm;激光测距:4km |
| JSA-PTZS97THR92X46100 | 相机:4MP,6.1~561mm / 92x ;热像仪:640X512 / 100mm;激光测距:4km |
| JSA-PTZS97THR55X86100 | 相机:8MP,10-550mm / 55X ;热像仪:640X512 / 100mm;激光测距:4km |
█ 订货型号[AI版本]
版本类型 | 型号 | 主要参数 |
可见光 热成像 | JSA-PTZS97ATH37X2635 | 相机:2MP,6.5~240mm / 37x ;热像仪:640x512 / 35mm |
| JSA-PTZS97ATH37X4635 | 相机:4MP,6.5~240mm / 37x ;热像仪:640x512 / 35mm |
| JSA-PTZS97ATH52X4650 | 相机:4MP,6.1~317mm / 52x ;热像仪:640X512 / 50mm |
| JSA-PTZS97ATH72X2675 | 相机:2MP,6.1~440mm / 72x ;热像仪:640X512 / 75mm |
| JSA-PTZS97ATH72X262575 | 相机:2MP,6.1~440mm / 72x ;热像仪:640X512 / 25~75mm |
| JSA-PTZS97ATH92X26100 | 相机:2MP,6.1~561mm / 92x ;热像仪:640X512 / 100mm |
| JSA-PTZS97ATH92X46100 | 相机:4MP,6.1~561mm / 92x ;热像仪:640X512 / 100mm |
| JSA-PTZS97ATH55X86100 | 相机:8MP,10-550mm / 55X ;热像仪:640X512 / 100mm |
可见光 热成像 激光补光 | JSA-PTZS97ATHL37X2635 | 相机:2MP,6.5~240mm / 37x ;热像仪:640x512 / 35mm;激光补光:800m |
| JSA-PTZS97ATHL37X4635 | 相机:4MP,6.5~240mm / 37x ;热像仪:640x512 / 35mm;激光补光:800m |
| JSA-PTZS97ATHL52X4650 | 相机:4MP,6.1~317mm / 52x ;热像仪:640X512 / 50mm;激光补光:1500m |
可见光 热成像 激光测距
| JSA-PTZS97ATHR72X2675 | 相机:2MP,6.1~440mm / 72x ;热像仪:640X512 / 75mm;激光测距:4km |
| JSA-PTZS97ATHR72X262575 | 相机:2MP,6.1~440mm / 72x ;热像仪:640X512 / 25~75mm;激光测距:4km |
| JSA-PTZS97ATHR92X26100 | 相机:2MP,6.1~561mm / 92x ;热像仪:640X512 / 100mm;激光测距:4km |
| JSA-PTZS97ATHR92X46100 | 相机:4MP,6.1~561mm / 92x ;热像仪:640X512 / 100mm;激光测距:4km |
| JSA-PTZS97ATHR55X86100 | 相机:8MP,10-550mm / 55X ;热像仪:640X512 / 100mm;激光测距:4km |
备注说明: AI版本集成烟火检测、深度周界(人/机动车/非机动车/船只检测,入侵、徘徊、越界行为分析)算法
█ 产品尺寸
